Products
Rotary Vane Vacuum Pump

Rotary Vane Vacuum Pump

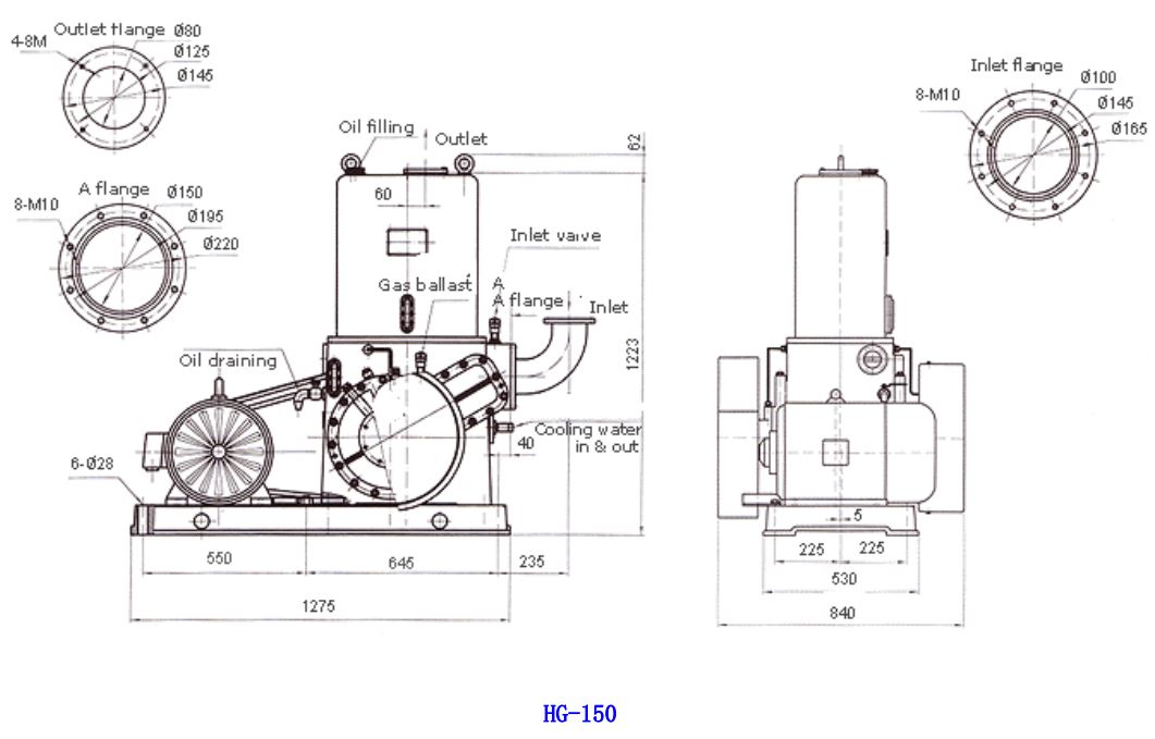
A rotary vane vacuum pump is an oil-sealed rotary displacement pump. The pumping system consists of a housing (1), an eccentrically installed rotor (2), vanes that move radially under spring force (3) and the inlet and outlet (4). ... The Rotor moves with the help of a motor attached to it.

Rotary vane vacuum pump

A rotary vane vacuum pump is an oil-sealed rotary displacement pump. The pumping system consists of a housing (1), an eccentrically installed rotor (2), vanes that move radially under spring force (3) and the inlet and outlet (4). ... The Rotor moves with the help of a motor attached to it.

Uses. Vane pumps are commonly used as high-pressure hydraulic pumps and in automobiles, including supercharging, power-steering, air conditioning and automatic-transmission pumps. Pumps for mid-range pressures include applications such as carbonators for fountain soft-drink dispensers and espresso coffee machines.

The simplest vane pump has a circular rotor rotating inside a larger circular cavity. The centers of these two circles are offset, causing eccentricity. ... The action of the vane drives out the same volume of fluid with each rotation. Multistage rotary-vane vacuum pumps can attain pressures as low as 10 mbar (0.0001 Pa).

Rotary Vane Vacuum Pump

Rotary Vane Vacuum PumpRotary Vane Vacuum PumpRotary Vane Vacuum PumpRotary Vane Vacuum PumpRotary Vane Vacuum PumpRotary Vane Vacuum Pump


Hot Tags: rotary vane vacuum pump, China, suppliers, manufacturers, factory, wholesale, buy, made in China
Send Inquiry
Contact Info
X
We use cookies to offer you a better browsing experience, analyze site traffic and personalize content. By using this site, you agree to our use of cookies. Privacy Policy
Reject Accept