Ladder Sprockets
    
Ladder sprockets are used for low torque power transmission.We're professional ladder sprockets manufacturers and suppliers in China, supplying the best wholesale service. Feel free to buy durable ladder sprockets made in China here from our factory.
    
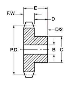
Ladder sprockets ( in inch)
     
    
    
    For metric size please send us inquire!
| Pitch | # Grooves( Teeth ) | Material | Material Type | Bore Config. | Bore Size (Inch) | Face Width (F.W.) (Inch) | Overall Width (E) (Inch) | Pitch Dia. (P.D.) (Inch) | Hub Dia. (C) (Inch) | 
| 0.353 (SIZE 17) | 6 | Metal | Brass | Plain - With Set Screw | 0.188 | 0.17 | 0.438 | 0.7 | 0.438 | 
| 0.353 (SIZE 17) | 7 | Metal | Brass | Plain - With Set Screw | 0.188 | 0.17 | 0.438 | 0.8 | 0.5 | 
| 0.353 (SIZE 17) | 9 | Metal | Brass | Plain - With Set Screw | 0.188 | 0.17 | 0.5 | 1.02 | 0.563 | 
| 0.353 (SIZE 17) | 12 | Metal | Brass | Plain - With Set Screw | 0.25 | 0.17 | 0.5 | 1.35 | 0.625 | 
| 0.353 (SIZE 17) | 16 | Metal | Brass | Plain - With Set Screw | 0.25 | 0.17 | 0.5 | 1.78 | 0.625 | 
| 0.353 (SIZE 17) | 22 | Metal | Brass | Plain - With Set Screw | 0.313 | 0.17 | 0.563 | 2.45 | 0.75 | 
| 0.353 (SIZE 17) | 24 | Metal | Brass | Plain - With Set Screw | 0.313 | 0.17 | 0.563 | 2.66 | 0.75 | 
| 0.353 (SIZE 17) | 27 | Metal | Brass | Plain - With Set Screw | 0.313 | 0.17 | 0.563 | 3 | 0.75 | 
| 0.286 (SIZE 18) | 6 | Metal | Brass | Plain - With Set Screw | 0.188 | 0.12 | 0.375 | 0.57 | 0.375 | 
| 0.286 (SIZE 18) | 8 | Metal | Brass | Plain - With Set Screw | 0.188 | 0.12 | 0.375 | 0.75 | 0.438 | 
| 0.286 (SIZE 18) | 9 | Metal | Brass | Plain - With Set Screw | 0.188 | 0.12 | 0.375 | 0.83 | 0.438 | 
| 0.286 (SIZE 18) | 10 | Metal | Brass | Plain - With Set Screw | 0.188 | 0.12 | 0.375 | 0.92 | 0.5 | 
| 0.286 (SIZE 18) | 11 | Metal | Brass | Plain - With Set Screw | 0.188 | 0.12 | 0.375 | 1.02 | 0.5 | 
| 0.286 (SIZE 18) | 12 | Metal | Brass | Plain - With Set Screw | 0.188 | 0.12 | 0.375 | 1.1 | 0.5 | 
| 0.286 (SIZE 18) | 14 | Metal | Brass | Plain - With Set Screw | 0.25 | 0.12 | 0.438 | 1.28 | 0.625 | 
| 0.286 (SIZE 18) | 16 | Metal | Brass | Plain - With Set Screw | 0.25 | 0.12 | 0.438 | 1.47 | 0.625 | 
| 0.286 (SIZE 18) | 18 | Metal | Brass | Plain - With Set Screw | 0.25 | 0.12 | 0.438 | 1.64 | 0.625 | 
| 0.286 (SIZE 18) | 20 | Metal | Brass | Plain - With Set Screw | 0.25 | 0.12 | 0.438 | 1.82 | 0.625 | 
| 0.286 (SIZE 18) | 24 | Metal | Brass | Plain - With Set Screw | 0.313 | 0.12 | 0.5 | 2.18 | 0.75 | 
| 0.286 (SIZE 18) | 27 | Metal | Brass | Plain - With Set Screw | 0.313 | 0.12 | 0.5 | 2.47 | 0.75 | 
| 0.185 (SIZE 19) | 6 | Metal | Brass | Plain - With Set Screw | 0.125 | 0.087 | 0.344 | 0.36 | 0.25 | 
| 0.185 (SIZE 19) | 7 | Metal | Brass | Plain - With Set Screw | 0.125 | 0.087 | 0.344 | 0.41 | 0.25 | 
| 0.185 (SIZE 19) | 8 | Metal | Brass | Plain - With Set Screw | 0.125 | 0.087 | 0.344 | 0.47 | 0.313 | 
| 0.185 (SIZE 19) | 9 | Metal | Brass | Plain - With Set Screw | 0.125 | 0.087 | 0.344 | 0.53 | 0.375 | 
| 0.185 (SIZE 19) | 10 | Metal | Brass | Plain - With Set Screw | 0.125 | 0.087 | 0.344 | 0.59 | 0.375 | 
| 0.185 (SIZE 19) | 12 | Metal | Brass | Plain - With Set Screw | 0.188 | 0.087 | 0.344 | 0.7 | 0.438 | 
| 0.185 (SIZE 19) | 15 | Metal | Brass | Plain - With Set Screw | 0.188 | 0.087 | 0.344 | 0.87 | 0.5 | 
| 0.185 (SIZE 19) | 16 | Metal | Brass | Plain - With Set Screw | 0.188 | 0.087 | 0.344 | 0.93 | 0.5 | 
| 0.185 (SIZE 19) | 18 | Metal | Brass | Plain - With Set Screw | 0.188 | 0.087 | 0.344 | 1.06 | 0.5 | 
| 0.185 (SIZE 19) | 20 | Metal | Brass | Plain - With Set Screw | 0.188 | 0.087 | 0.344 | 1.16 | 0.5 | 
| 0.185 (SIZE 19) | 24 | Metal | Brass | Plain - With Set Screw | 0.188 | 0.087 | 0.344 | 1.38 | 0.5 | 
| 0.185 (SIZE 19) | 32 | Metal | Brass | Plain - With Set Screw | 0.25 | 0.087 | 0.406 | 1.86 | 0.625 | 
| 0.185 (SIZE 19) | 36 | Metal | Brass | Plain - With Set Screw | 0.313 | 0.087 | 0.406 | 2.12 | 0.688 | 
| 0.185 (SIZE 19) | 48 | Metal | Brass | Plain - With Set Screw | 0.313 | 0.087 | 0.406 | 2.78 | 0.688 | 
| 0.185 (SIZE 19) | 60 | Metal | Brass | Plain - With Set Screw | 0.313 | 0.087 | 0.406 | 3.48 | 0.688 | 
| 0.185 (SIZE 19) | 72 | Metal | Cast Brass | Plain - With Set Screw | 0.313 | 0.087 | 0.406 | 4.21 | 0.688 | 
| 0.353 (SIZE 14) | 12 | Plastic | Acetal, Black | Brass Insert & Set Screw | 0.188 | 0.17 | 0.57 | 1.364 | 0.62 | 
| 0.353 (SIZE 14) | 12 | Plastic | Acetal, Black | Brass Insert & Set Screw | 0.25 | 0.17 | 0.57 | 1.364 | 0.62 | 
| 0.353 (SIZE 14) | 13 | Plastic | Acetal, Black | Brass Insert & Set Screw | 0.188 | 0.17 | 0.57 | 1.475 | 0.62 | 
| 0.353 (SIZE 14) | 13 | Plastic | Acetal, Black | Brass Insert & Set Screw | 0.25 | 0.17 | 0.57 | 1.475 | 0.62 | 
| 0.353 (SIZE 14) | 14 | Plastic | Acetal, Black | Brass Insert & Set Screw | 0.188 | 0.17 | 0.57 | 1.586 | 0.62 | 
| 0.353 (SIZE 14) | 14 | Plastic | Acetal, Black | Brass Insert & Set Screw | 0.25 | 0.17 | 0.57 | 1.586 | 0.62 | 
| 0.353 (SIZE 14) | 15 | Plastic | Acetal, Black | Brass Insert & Set Screw | 0.25 | 0.17 | 0.57 | 1.698 | 0.62 | 
| 0.353 (SIZE 14) | 15 | Plastic | Acetal, Black | Brass Insert & Set Screw | 0.313 | 0.17 | 0.57 | 1.698 | 0.75 | 
| 0.353 (SIZE 14) | 16 | Plastic | Acetal, Black | Brass Insert & Set Screw | 0.25 | 0.17 | 0.57 | 1.809 | 0.62 | 
| 0.353 (SIZE 14) | 16 | Plastic | Acetal, Black | Brass Insert & Set Screw | 0.313 | 0.17 | 0.57 | 1.809 | 0.75 | 
| 0.353 (SIZE 14) | 18 | Plastic | Acetal, Black | Brass Insert & Set Screw | 0.313 | 0.17 | 0.57 | 2.033 | 0.75 | 
| 0.353 (SIZE 14) | 20 | Plastic | Acetal, Black | Brass Insert & Set Screw | 0.313 | 0.17 | 0.57 | 2.257 | 0.75 | 
| 0.353 (SIZE 14) | 22 | Plastic | Acetal, Black | Brass Insert & Set Screw | 0.313 | 0.17 | 0.57 | 2.48 | 0.75 | 
| 0.353 (SIZE 14) | 24 | Plastic | Acetal, Black | Brass Insert & Set Screw | 0.313 | 0.17 | 0.57 | 2.704 | 0.75 | 
    
Address
Luotuo Industrial Area, Zhenhai District, Ningbo City, China
Tel
